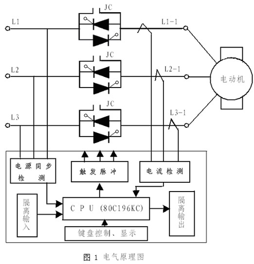
文章摘要:那么首先我們 來看看這個電機軟啟動器工作原理與接線圖布置范圍,需要我們好好的分析一下這個設備,起動柜和軟起動柜的一些布置方法吧。 一、電機軟啟動器工作原理 電機軟啟動器工作原理: 在三相電源與電機間串入三相反并聯晶閘管(可控硅整流器),利用晶閘




日期:2017-05-13 15:58:33 點擊:143 好評:0
輸出電壓以設定的起動時間按照指數特性上升,同時輸出電流以一定的速率增加,當起動電流增至限幅值Im時,電流保持恒定,直至起動完成。 使用此模式時,需同時設定起動時間和限流倍數。 參數 名稱 范圍 設定值 出廠值 1M00 起動方式 0~3 0 0 1M03 起始電壓 20....

日期:2017-05-22 16:23:41 點擊:145 好評:0
軟起動柜設備在襄陽電氣公司還是比較多的 ,那么我們首先要了解這些公司,出售的都是什么型號的軟起動柜,那么需要我們了解到位的還是非常不錯的,那么軟起動柜廠家在這里我們需要吧這些都做到位的,軟起動柜,廠家襄陽源創電氣價格就是比較低的,價格大概在2....

日期:2017-07-02 08:15:30 點擊:138 好評:0
二個一拖二軟起動柜,如何連接以實現軟起動器,必要時可以一用一備,如下圖可行嗎,謝! 高壓水電阻軟起動柜,專用電液粉。 大家好,我想問下大家,對廚房垃圾粉碎機在城市中,推廣的可能性大不大,原因是。 可能性不大,因為垃圾有清潔工每天來收集,粉碎不....

日期:2017-05-22 16:19:38 點擊:179 好評:0
風機軟起動柜,也是屬于風機起動柜,那么適合什么樣子的起動柜呢,那么下面我們就針對這個來介紹一下吧,這里是源創電氣公司。 本產品啟動電動機時,電源進線的起動電流不超過電動機額定電流的5~ 7倍,其最長起動時間為90秒(包括一次或連續數次啟動時間的總....

日期:2017-05-22 16:21:27 點擊:99 好評:0
那么下面我們就來進行一下水泵軟起動柜的介紹了吧,這里是源創電氣公司,專業生產軟起動柜的廠家 ,那么在這里我們首先要了解這個設備才能夠更進一步的了解這些設備了。 XJR-20kW水泵軟啟動柜是我公司自主研發的新產品,是國內唯一不需要旁路接觸器的軟起動柜....