交流匯流箱選用交匯流箱,上海預裝式變電站(預裝式變電站廠家)廠家IP65,上海預裝式變電站(預裝式變電站銅線與電流關系)銅線與電流關系戶外使用。上海預裝式變電站(預裝式變電站型號)廠家
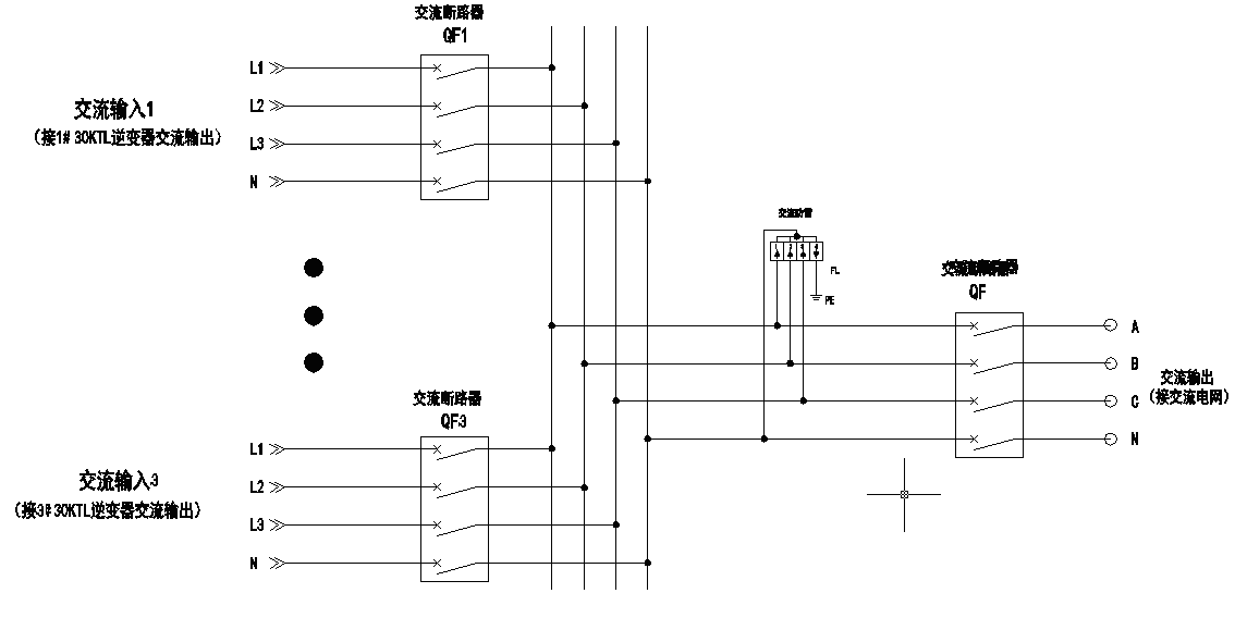
光伏交流防雷匯流箱的作用是對逆變器的輸出進行匯流,上海預裝式變電站(預裝式變電站檢修方案)型號匯流箱應具有以下功能:
1. 滿足室外安裝的使用要求,上海預裝式變電站(預裝式變電站五防)檢修方案防水、防銹、防曬,上海預裝式變電站(ggd低壓預裝式變電站)五防防護等級為IP65。上海預裝式變電站(kyn28-12高壓預裝式變電站)銅線與電流關系
2. 輸入路數可定制,上海ggd低壓預裝式變電站(預裝式變電站與電纜分接箱的區別)每路輸入電流最大可達80A。上海預裝式變電站(電纜分接箱廠家)型號
3. 最高輸入、輸出電壓最高達660VAC。上海預裝式變電站(電纜分接箱尺寸規格)檢修方案
4. 配有防雷器。上海預裝式變電站(電纜分接箱型號)五防
5. 輸出回路采用高品質斷路器,容量根據輸入路數確定。上海ggd低壓預裝式變電站(電纜分接箱回收)
6. 掛壁式安裝,上海kyn28-12高壓預裝式變電站(電纜分接箱圖片)體積小、重量輕,上海預裝式變電站(電纜分接箱廠家排名)與電纜分接箱的區別降低工程施工成本。上海kyn28-12高壓預裝式變電站(電纜分接箱英文)
光伏防雷匯流箱的電氣原理框圖如圖所示:
★★★★★產品直通車點擊進入→預裝式變電站★★★★★
交流匯流箱的安裝可以參考逆變器壁掛架的安裝方式,上海電纜分接箱廠家可以利用膨脹螺栓固定在墻面上,上海電纜分接箱尺寸規格也可以固定在金屬支架上。上海預裝式變電站(電纜分接箱設計)與電纜分接箱的區別